Cleantech nieuws, achtergronden & advies

Sidewing en TrailerTail voor schoner vrachtvervoer

Fancy sideskirts zie je normaliter vooral op foute gepooierde golfjes. Sinds 2008 rijden ook vrachtwagens er mee rond en dat scheelt liters diesel per jaar. Met hetzelfde doel zijn er nu ook inklapbare spoilers...

GlassPoint zet thermische zonne-energie in voor olieproductie

De reserves zijn nog altijd aanzienlijk maar olie moet van steeds dieper komen en is ook van mindere kwaliteit. Teneinde de productie winstgevend te houden worden producenten van olie steeds creatiever in hun methoden...

Drijvend windpark in de Middellandse Zee bij Malta

Wat duurzame energie betreft is Nederland een van de achterblijvers in Europa. Wanneer we zoeken naar een referentiekader waar we nog positief bij afsteken dan komen we uit bij landjes als Malta. Malta is echter...

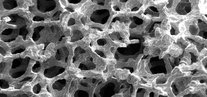
Prieto 3D Battery: Snel-laden en meer energieopslag in driedimensionale accu

Accu’s en batterijen zijn afhankelijk van elektrochemische reacties tussen anode, kathode en een elektrolyt. Bij het afgeven van energie lopen deze reacties in de ene kant op, bij het laden verlopen ze in de tegenovergestelde richting. Korte...

De domme duurzaamheidsquiz en de avond van 2033

Binnen fietsen en roeien is knap saai. Daarom luister ik bij de fitness graag podcasts over wetenschap en technologie. Een van mijn favoriete bronnen is Hoe?Zo! Radio en gisteren heb ik me kostelijk vermaakt met een...

IRENA Global Atlas toont de beste locaties voor wind- en zonne-energie

Een heel mooi initiatief van IRENA (International Renewable Energy Agency). Een interactieve kaart met daarin enorm veel informatie over lokale kansen voor hernieuwbare energie. Leuk en leerzaam om eens doorheen te klikken. Duurzame investeringen...

Vuurvliegjes en origami maken LED-lampen nog efficiënter

In vergelijking met een gloeilamp geeft een LED-lamp zo’n vijf keer meer licht per Watt. Toch geldt gek genoeg ook bij zeer efficiënte LED-lampen de warmte afgifte nog als een belangrijk probleem. Met een slim gevouwen ontwerp...

Brandstofzuinig luchttransport met innovatieve zeppelin

Transport door de lucht is duur en energie-intensief, tenzij gebruik wordt gemaakt van ‘lighter-than-air’ toepassingen. Vervoer van goederen met luchtschepen is echter nooit echt van de gro.., Herstel; is nooit echt een succes geworden....

Elektrische auto’s te stil bij lage snelheden

Dat elektrische motoren een stuk minder geluid maken dan benzine- of dieselslurpers wordt in het algemeen als voordeel gezien. Zeker op glad wegdek in gebeiden met veel ander lawaai brengt het echter ook risico’s mee. Verplicht...

Altijd Wat over grensoverschrijdende subsidies voor duurzame energie

Gisteravond bekeek ik een interessante uitzending van het NCRV programma Altijd Wat. Hierin werden verscheidene interessante ontwikkelingen in de duurzame energiesector besproken. Europa als vrije markt, ook voor energiesubsidies? Het hoofdthema van de uitzending...

Kwantum Biologie: Groene zwavelbacterie haalt 98% van de energie uit licht

De bacterie ‘Chronobaculum tepidum’ leeft onder andere diep in de oceanen en in zwavelrijke heetwaterbronnen. Het beestje moet het doen met de restjes licht die worden overgelaten door alle organismen in de waterkolom boven...

Neptune Wave Power: Golfenergie met een slinger

Wanneer we praten over zonne-energie denkt vrijwel iedereen direct aan gladde panelen, denken we aan windenergie dan ziet bijna iedereen hoge torens met drie wieken voor zich. Hebben we het echter over golfenergie dan...

Hilarisch filmpje over plassen onder de douche

Een trouwe lezer attendeerde me op een artikel over het besparen van water, waarvoor dank! Hoe je zo toevallig op zo’n absurd bericht van toch alweer een paar jaar oud terecht komt laten we maar...

HydroICE: Benzinemotor wordt stoommachine op zonne-energie

Er zijn ruwweg twee methoden om energie op te wekken uit zonlicht: PV en CSP. Fotovoltaïsche zonnepanelen zijn modulair en daardoor zeer geschikt voor thuisgebruik. Technieken die uitgaan van geconcentreerd zonlicht zijn vaak kosteneffectiever maar dan wel...